

Eye bolts can be made of materials including stainless steel, alloy steel, carbon steel, copper-nickel, Inconel, etc. However, the Forged Eye Bolts Manufacturers In India must be consulted before making the purchase of those bolts. There are many factors to consider when choosing or determining if bolts are appropriate. The Eye Bolt Manufacturer In India would be able to recommend the best type of fastener for the application since he is aware of the characteristics of the materials he employs in their manufacturing.
Since there are many factors to consider when selecting a bolt, it's crucial to pick a reputable Lifting Eye Bolt Manufacturer In India in order to buy high-quality fasteners. Eye Bolt Manufacturer In Mumbai creates these bolts with a loop at one end and a threaded rod at the other, giving them the appearance of an eye. The use of eye bolts for brickwork purposes is quite widespread. As a result, these fasteners can be utilised with a variety of masonry materials, such as concrete block, marble, granite, limestone, cast stone, glass block, and adobe. It is not advised to use non-shouldered eyebolts for lifting angular loads, even though fully threaded, collared bolts can be used for angular loads up to 45°.
Compare Stainless Steel Flange Bolts price with SS Carriage Bolts price list
| ISO standard | ISO 7380, ISO 4032, JIS standards, ISO 4017, ISO 4033 |
|---|---|
| BS | British standard 57 |
| Size |
M6, M30, M12, M10, M16, (M45), M4, M8, M2, M24, (M3.5), M33, M20, M42, (M14), M5, M48, (M18), (M27), (M22), M36, M3, M160 and as per need |
| Grade | 4.8, A2-70, A4-80, 8.8, A4, A4-70, A2, 18-8 Stainless Steel, Studr Bolt |
| Length | 3 milimeter - 200 milimeter |
| Stainless Steel Threads: | METRIC, UNC, BSF, UNF, BSW or as per need |
| DIN | DIN 912, DIN 603, DIN 933, DIN 6923, DIN 931, DIN 7981, DIN 970, DIN916, DIN 934, DIN 7985, DIN 7982, DIN 913, B.S. |
| UTS | UNEF, UNS, NPTF, UNC, NPT, UNF |
| Tolerance | +/-0.01 milimeter - +/-0.05milimeter |
| treatment on Surface |
|
| Type | Round/ Pan/ Hex Head/ Oval/ Truss head |
| Standard: |
JIS, IS, ISO, BS, ANSI, DIN, GB, ASTM and all International Standards |
| Head | Pan head, flat head, oval head, hex head, phillips head |
| Head drive: | Slotted, Six-Lobe, Phillips/Slot, Phillips, etc |
| ASTM Standard | As Per ASTM A380M and A380 |
| Manufacturing process | Cold Heading, Heat Treatment, Inspection, Wire Drawing, Packing, Surface Plating, Insert tapping |
| Manufacturers | GKW, SPAX® Screws, Kundan, Unbrako, Sundaram Precision, APL, EBY Fastener, Infasco Etc. |
| Certificate provided |
|
| industrial use | Wind tower, Electronic industry, Railway, Construction, Automotive industry, Nuclear power, |

| Description | Per Unit (INR) | Price in USD | Price in EURO |
|---|---|---|---|
| (Din 580-m10-st) Lifting Eye Bolts | 64 | 0.87 | 0.71 |
| 120x20mm Eye Bolt | 58 | 0.79 | 0.64 |
| din00444 B M8x60-4.6 Eye Bolt | 37 | 0.50 | 0.41 |
| Eye Bolts For Channel Cover Forging (Sa 336m Gr F22 Cl.3) | 249 | 3.37 | 2.77 |
| Eye Bolt | 3,451 | 46.77 | 38.36 |
| Lifting Eye Bolt | 225 | 3.05 | 2.50 |
| Lifting Eye Bolt | 435 | 5.90 | 4.84 |
| Production Parts:bolt;eye,a Type | 1,127 | 15.27 | 12.53 |
Weight in kilogram per piece |
Size |
|---|---|
0.005 |
M8 |
0.009 |
M10 |
0.016 |
M12 |
0.024 |
M16 |
0.036 |
M20 |
0.072 |
M24 |
1.032 |
M30 |
2.008 |
M36 |
3.011 |
M42 |
5.002 |
M48 |
6.069 |
M56 |
9.030 |
M64 |
18.05 |
M72 |
27.03 |
M80 |
36.04 |
M100 |
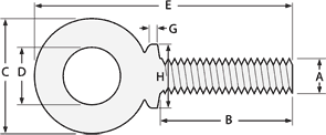
| Size (A x Pitch x B) |
Inside Eye Diameter (D) ( milimeter) |
Outside Eye Diameter (C) ( milimeter) |
Shoulder Diameter (H) ( milimeter) |
Overall Length (E) ( milimeter) |
Shoulder Thickness (G) ( milimeter) |
||
|---|---|---|---|---|---|---|---|
| 6 milimeter x 1.00 | x | 12 milimeter | 19 | 30 | 13.05 | 50.09 | 4 |
| 6 milimeter x 1.00 | x | 25.04 milimeter | 19 | 30 | 13.05 | 64.03 | 4 |
| 7 milimeter x 1.00 | x | 14 milimeter | 22 | 36.05 | 15.01 | 60.09 | 4 |
| 7 milimeter x 1.00 | x | 28.05 milimeter | 22 | 36.05 | 15.01 | 75.04 | 4 |
| 8 milimeter x 1.025 | x | 16 milimeter | 25 | 43 | 16.07 | 72.04 | 4 |
| 8 milimeter x 1.025 | x | 31.07 milimeter | 25 | 43 | 16.07 | 88.01 | 4 |
| 10 milimeter x 1.05 | x | 20 milimeter | 27 | 46 | 19.08 | 81 | 4 |
| 10 milimeter x 1.05 | x | 35 milimeter | 27 | 46 | 19.08 | 96 | 4 |
| 12 milimeter x 1.075 | x | 24 milimeter | 30 | 54 | 23 | 92.04 | 4 |
| 12 milimeter x 1.075 | x | 38 milimeter | 30 | 54 | 23 | 106.04 | 4 |
| 14 milimeter x 2.00 | x | 28 milimeter | 33 | 58 | 24.06 | 99.04 | 5.06 |
| 14 milimeter x 2.00 | x | 44.05 milimeter | 33 | 58 | 24.06 | 115.09 | 5.06 |
| 16 milimeter x 2.00 | x | 32 milimeter | 35 | 65 | 26.02 | 112.09 | 5.06 |
| 16 milimeter x 2.00 | x | 44.05 milimeter | 35 | 65 | 26.02 | 125.04 | 5.06 |
| 18 milimeter x 2.05 | x | 36 milimeter | 38 | 71.05 | 30.02 | 124.07 | 5.06 |
| 18 milimeter x 2.05 | x | 51 milimeter | 38 | 71.05 | 30.02 | 139.07 | 5.06 |
| 20 milimeter x 2.05 | x | 40 milimeter | 41 | 81 | 34.09 | 140.02 | 6.04 |
| 20 milimeter x 2.05 | x | 57 milimeter | 41 | 81 | 34.09 | 157.02 | 6.04 |
| 22 milimeter x 2.05 | x | 44 milimeter | 46 | 90.04 | 39.07 | 155.01 | 7.01 |
| 22 milimeter x 2.05 | x | 63.05 milimeter | 46 | 90.04 | 39.07 | 174.06 | 7.01 |
| 24 milimeter x 3.00 | x | 48 milimeter | 46 | 90.04 | 39.07 | 159.01 | 7.01 |
| 24 milimeter x 3.00 | x | 63.05 milimeter | 46 | 90.04 | 39.07 | 174.06 | 7.01 |
| 27 milimeter x 3.00 | x | 48 milimeter | 51 | 103 | 44.05 | 174.09 | 7.01 |
| 27 milimeter x 3.00 | x | 70 milimeter | 51 | 103 | 44.05 | 196.09 | 7.01 |
| 30 milimeter x 3.05 | x | 60 milimeter | 55 | 112.07 | 49.02 | 198.03 | 7.01 |
| 30 milimeter x 3.05 | x | 76 milimeter | 55 | 112.07 | 49.02 | 214.03 | 7.01 |
| 36 milimeter x 4.00 | x | 72 milimeter | 63 | 131.08 | 55.06 | 229.09 | 7.01 |
| 36 milimeter x 4.00 | x | 89 milimeter | 63 | 131.08 | 55.06 | 246.09 | 7.01 |
| 42 milimeter x 4.05 | x | 84 milimeter | 73 | 152.04 | 65.01 | 271.06 | 8.07 |
| 42 milimeter x 4.05 | x | 95 milimeter | 73 | 152.04 | 65.01 | 282.06 | 8.07 |
| 45 milimeter x 4.05 | x | 84 milimeter | 73 | 152.04 | 65.01 | 271.06 | 10.03 |
| 45 milimeter x 4.05 | x | 95 milimeter | 73 | 152.04 | 65.01 | 282.06 | 10.03 |
| 48 milimeter x 5.00 | x | 96 milimeter | 82 | 174.06 | 74.06 | 294.08 | 11.09 |
| 48 milimeter x 5.00 | x | 101.06 milimeter | 82 | 174.06 | 74.06 | 310.04 | 11.09 |








Weight in kilogram per piece |
Size |
|---|---|
0.006 |
M8 |
0.011 |
M10 |
0.018 |
M12 |
0.028 |
M16 |
0.045 |
M20 |
0.074 |
M24 |
1.066 |
M30 |
2.065 |
M36 |
4.003 |
M42 |
6.038 |
M48 |
8.080 |
M56 |
12.04 |
M64 |
23.03 |
M72 |
34.02 |
M80 |
49.01 |
M100 |

|
|
Weight in kilogram per piece |
Size |
|---|---|
0.006 |
M8 |
0.011 |
M10 |
0.018 |
M12 |
0.028 |
M16 |
0.045 |
M20 |
0.074 |
M24 |
1.066 |
M30 |
2.065 |
M36 |
4.003 |
M42 |
6.038 |
M48 |
8.080 |
M56 |
12.04 |
M64 |
23.03 |
M72 |
34.02 |
M80 |
49.01 |
M100 |

| RESULTS | ||
|---|---|---|
| Parameter | Value | |
| Nominal Size | 1/4 | - |
| Thread Size | 1/4 - 20 | |
| Eye Bolt Type | Shoulder Pattern Eye Bolts | |
| Breaking Strength, min | 2100 | lbf |
| Proof Load, min | 800 | |
| Rated Capacity @ 0 deg. | 400 | |
| Rated Capacity @ 30 deg. | 75 | |
| Rated Capacity @ 60 deg. | NR | |
| Rated Capacity @ 90 deg. | NR | |
Note : Proof load is calculated as 2 times the rated capacity in straight pull (0 degrees).
Note : NR - Not Recommended

Safe Working Load |
Thread Length |
Diameter Base |
Weight Each |
Diameter Thread |
Diameter Eye Inside |
Diameter Eye Outside |
Height |
Thickness Collar |
|---|---|---|---|---|---|---|---|---|
Tonnes |
h (milimeter) |
b (milimeter) |
kg |
a (milimeter) |
e (milimeter) |
c (milimeter) |
g (milimeter) |
f (milimeter) |
0.040 |
178 |
28 |
0.025 |
12 |
19 |
41 |
45 |
11 |
0.025 |
178 |
22 |
0.018 |
10 |
15 |
33 |
36 |
7 |
4.000 |
178 |
71 |
2.080 |
30 |
48 |
104 |
116 |
24 |
0.080 |
178 |
36 |
0.044 |
16 |
24 |
52 |
58 |
14 |
0.050 |
178 |
36 |
0.040 |
14 |
24 |
52 |
58 |
14 |
1.060 |
178 |
43 |
0.070 |
20 |
29 |
62 |
69 |
17 |
1.000 |
178 |
43 |
0.070 |
18 |
29 |
62 |
69 |
17 |
2.050 |
178 |
57 |
1.050 |
24 |
38 |
82 |
87 |
19 |
Material |
Surface Finish |
Threads |
|---|---|---|
|
|
|


| ISO – International Organization for Standardization | ISO 4032, ISO 4033, ISO 4017, ISO7380 JIS standards |
|---|---|
| British standards | BS6105 (old: BSENISO 3506) which covers Part 1 bolts, screw and Us, part 2 nuts and part 4 tapping screws. |
| DIN Standard | B.S. DIN 933, DIN 931, DIN 934, DIN 912, DIN 603, DIN 6923, DIN 970, DIN 7981, DIN 7982, DIN916, DIN 913, DIN 7985 |

Length (B) |
Outside Eye Diameter (C) |
Inside Eye Diameter (D) |
Overall Length* (E) |
Thread Length* (F) |
|---|---|---|---|---|
1/4-20 (A) |
||||
3 |
1 |
1/2 |
4-7/32 |
1-1/2 |
2 |
1 |
1/2 |
3-7/32 |
1-1/2 |
5 |
1 |
1/2 |
6-7/32 |
2-1/2 |
4 |
1 |
1/2 |
5-7/32 |
2 |
6 |
1 |
1/2 |
7-7/32 |
3 |
5/16-18 (A) |
||||
3-1/4 |
1-1/4 |
5/8 |
4-23/32 |
1-1/2 |
2-1/4 |
1-1/4 |
5/8 |
3-23/32 |
1-1/2 |
5 |
1-1/4 |
5/8 |
6-15/32 |
2-1/2 |
4-1/4 |
1-1/4 |
5/8 |
5-23/32 |
2-1/2 |
6 |
1-1/4 |
5/8 |
7-15/32 |
3 |
3/8-16 (A) |
||||
3 |
1-1/2 |
3/4 |
4-3/4 |
1-1/2 |
2-1/2 |
1-1/2 |
3/4 |
4-1/4 |
1-1/2 |
10 |
1-1/2 |
3/4 |
11-3/4 |
4 |
4 |
1-1/2 |
3/4 |
5-3/4 |
2 |
4-1/2 |
1-1/2 |
3/4 |
6-1/4 |
3 |
8 |
1-1/2 |
3/4 |
9-3/4 |
4 |
4-1/4 |
1-1/2 |
3/4 |
6 |
2 |
6 |
1-1/2 |
3/4 |
7-3/4 |
3 |
5 |
1-1/2 |
3/4 |
6-3/4 |
3 |
1/2-13 (A) |
||||
3-1/4 |
2 |
1 |
5-7/16 |
2 |
12 |
2 |
1 |
14-3/16 |
4 |
2 |
2 |
1 |
4-3/16 |
1-5/8 |
10 |
2 |
1 |
12-3/16 |
4 |
4-1/2 |
2 |
1 |
6-11/16 |
3 |
4 |
2 |
1 |
6-3/16 |
3 |
8 |
2 |
1 |
10-3/16 |
4 |
6 |
2 |
1 |
8-3/16 |
3 |
5/8-11 (A) |
||||
4-1/2 |
2-1/2 |
1-3/8 |
7-1/8 |
3 |
4 |
2-1/2 |
1-3/8 |
6-5/8 |
3 |
8 |
2-1/2 |
1-3/8 |
10-5/8 |
4 |
6 |
2-1/2 |
1-3/8 |
8-5/8 |
3 |
12 |
2-1/2 |
1-3/8 |
14-5/8 |
4 |
10 |
2-1/2 |
1-3/8 |
12-5/8 |
4 |
18 |
2-1/2 |
1-3/8 |
20-5/8 |
6 |
15 |
2-1/2 |
1-3/8 |
17-5/8 |
6 |
24 |
2-1/2 |
1-3/8 |
26-5/8 |
6 |
3/4-10 (A) |
||||
4-1/2 |
2-13/16 |
1-1/2 |
7-3/8 |
3 |
4 |
2-13/16 |
1-1/2 |
6-7/8 |
3 |
8 |
2-13/16 |
1-1/2 |
10-7/8 |
4 |
6 |
2-13/16 |
1-1/2 |
8-7/8 |
3 |
12 |
2-13/16 |
1-1/2 |
14-7/8 |
4 |
10 |
2-13/16 |
1-1/2 |
12-7/8 |
4 |
18 |
2-13/16 |
1-1/2 |
20-7/8 |
6 |
15 |
2-13/16 |
1-1/2 |
17-7/8 |
6 |
24 |
2-13/16 |
1-1/2 |
26-7/8 |
6 |
7/8-9 (A) |
||||
6 |
3-1/2 |
1-3/4 |
9-1/4 |
3 |
5 |
3-1/2 |
1-3/4 |
8-1/4 |
3 |
10 |
3-1/2 |
1-3/4 |
13-1/4 |
4 |
8 |
3-1/2 |
1-3/4 |
11-1/4 |
4 |
18 |
3-1/2 |
1-3/4 |
21-1/4 |
6 |
12 |
3-1/2 |
1-3/4 |
15-1/4 |
4 |
24 |
3-1/2 |
1-3/4 |
27-1/4 |
6 |
1-8 (A) |
||||
8 |
4 |
2 |
11-5/8 |
4 |
6 |
4 |
2 |
9-5/8 |
3 |
12 |
4 |
2 |
15-5/8 |
4 |
10 |
4 |
2 |
13-5/8 |
4 |
18 |
4 |
2 |
21-5/8 |
6 |
15 |
4 |
2 |
18-5/8 |
6 |
24 |
4 |
2 |
27-5/8 |
6 |
1-1/4-7 (A) |
||||
8 |
4-7/16 |
2-3/16 |
12-1/2 |
4 |
6 |
4-7/16 |
2-3/16 |
10-1/2 |
3 |
18 |
4-7/16 |
2-3/16 |
22-1/2 |
6 |
12 |
4-7/16 |
2-3/16 |
16-1/2 |
4 |
24 |
4-7/16 |
2-3/16 |
28-1/2 |
6 |
1-1/2-6 (A) |
||||
12 |
5-3/16 |
2-1/2 |
17-1/4 |
4 |
18 |
5-3/16 |
2-1/2 |
23-1/4 |
6 |
6 |
5-3/16 |
2-1/2 |
11-1/4 |
3 |
24 |
5-3/16 |
2-1/2 |
29-1/4 |
6 |
2-4-1/2 (A) |
||||
12 |
6-7/8 |
3-1/4 |
19 |
4 |
* Overall length and thread length for imported eye bolts are approximate. Their values may differ from those listed in this table. |
||||
|
|
| d1 | k | b | h | d3 | d2 | d4 |
|---|---|---|---|---|---|---|
| M8 | 8 | 13 | 36 | 20 | 36 | 20 |
| M6 | 6.5 | 12 | 27.5 | 19 | 27 | 14 |
| M12 | 12 | 20.5 | 53 | 30 | 54 | 30 |
| M10 | 10 | 17 | 45 | 25 | 45 | 25 |
| M16 | 14 | 27 | 62 | 35 | 63 | 35 |
| M14 | 14 | 27 | 62 | 35 | 63 | 35 |
| M22 | 20 | 36 | 90 | 50 | 90 | 50 |
| M20 | 16 | 30 | 71 | 40 | 72 | 40 |
| M27 | 24 | 45 | 109 | 65 | 108 | 60 |
| M24 | 20 | 36 | 90 | 50 | 90 | 50 |
| M33 | 28 | 54 | 128 | 75 | 126 | 70 |
| M100 | 75 | 130 | 330 | 190 | 330 | 180 |
| M30 | 24 | 45 | 109 | 65 | 108 | 60 |
| M42 | 32 | 63 | 147 | 85 | 144 | 80 |
| M80 | 68 | 112 | 298 | 170 | 296 | 160 |
| M36 | 28 | 54 | 128 | 75 | 126 | 70 |
| M48 | 38 | 68 | 168 | 100 | 166 | 90 |
| M45 | 38 | 68 | 168 | 100 | 166 | 90 |
| M56 | 42 | 78 | 187 | 110 | 184 | 100 |
| M52 | 42 | 78 | 187 | 110 | 184 | 100 |
| M72 | 60 | 100 | 260 | 150 | 260 | 140 |
| M64 | 48 | 90 | 208 | 120 | 206 | 110 |
| M8 | 95 | 140 |
| M6 | 50 | 70 |
| M12 | 240 | 340 |
| M10 | 170 | 230 |
| M16 | 500 | 700 |
| M100 | 27000 | 38000 |
| M14 | 340 | 490 |
| M22 | 1050 | 1500 |
| M20 | 830 | 1200 |
| M27 | 1650 | 2500 |
| M24 | 1270 | 1800 |
| M33 | 3200 | 4300 |
| M30 | 2600 | 3600 |
| M42 | 5000 | 7000 |
| M36 | 3700 | 5100 |
| M80 | 20000 | 28000 |
| M48 | 6100 | 8600 |
| M52 | 7300 | 9900 |
| M45 | 5500 | 8000 |
| M64 | 11000 | 16000 |
| M56 | 8300 | 11500 |
| M72 | 15000 | 21000 |
